Cookies

Let us know which cookies we may place. When clicking ‘Essential cookies’, we do not collect personal data and you help us to improve the site. When you click ‘Accept cookies’ you’ll get an optimal website experience.
More about privacy & cookies.

0
  • Login
  • Choose currency
    • Euro
    • Dollar
    • British pound
  • Region: Americas
    • Middle East and Africa
    • Europe
    • Asia Pacific
    • Americas
  • Products
    • Wireless and IoT
    • Components | Semiconductors
    • Motion Control
    • Precision Analog
    • Power Conversion
    • Displays and Embedded Computing
    • Sensors
    • Test and Measurement
    • Thermal Management
    • Connectors and Cables
  • Suppliers
  • Applications
    • Vertical Markets
  • About
    • About
    • TOP-electronics linecard
    • Locations
    • Jobs
    • Customer support
    • FHI Technology Branche
    • ISO 9001:2015
  • News
    • TOP Tech Talk
    • Blog suppliers
    • TOP Newsletters
    • Do you know
  • Events
  • Contact
    • Contact
    • Technical support
    • Quotation request
Home > Components | Semiconductors > Interfaces / Communication > RS-485 / RS-422 > RS-485 / RS-422 Serial Transceiver
Menu

Categories

  • Wireless and IoT
  • Components | Semiconductors
    • Audio products
    • Battery holders
    • Buzzers & speakers and microphones
    • Crystal oscillators
    • Enclosures & boxes for electronics
    • FPGAs
    • Interfaces / Communication
      • Bridges / USB Ethernet Bridges
      • CAN Transceivers
      • Ethernet Transceivers / Switches
      • G.hn
      • MoCA
      • RS-232
      • RS-485 / RS-422
      • Dual protocol transceivers
      • Multiprotocol transceivers
      • UARTs
      • Voice
    • Memory
    • Memory sockets
    • Microcontrollers - MCU
    • Microcontrollers - MCU Evaluation kits
    • Mini PCI sockets
    • MOSFETs
    • Power Management
    • Real Time Clocks - RTC
    • Real Time Clocks - RTC Evaluation kits
    • Resettable fuses
    • SIM Card Sockets
    • SMT spacers
    • Switches
    • TVS diodes
    • Access
  • Motion Control
  • Precision Analog
  • Power Conversion
  • Displays and Embedded Computing
  • Sensors
  • Test and Measurement
  • Thermal Management
  • Connectors and Cables

MxL83438, RS-485 / RS-422 Serial Transceiver

More information

Stock
Out of stock
Delivery time
if not in stock: 12+ weeks
Part number
MxL83438
Manufacturer / supplier
MaxLinear
Contact us Technical support Quotation request
MxL83437 MxL83438.pdf
MxL83437_38 EVK User Manual_032UMR00.pdf

Product specifications

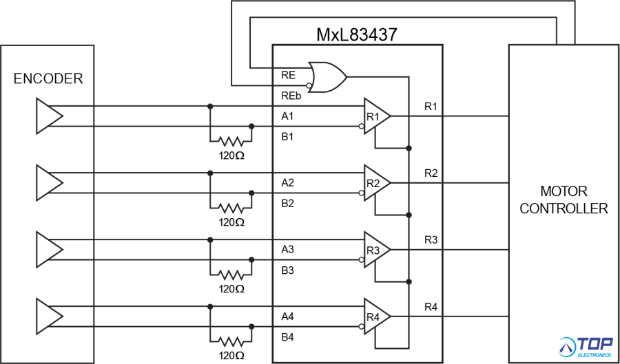
MxL83438 - 80Mbps Quad RS-485 / RS-422 Receivers with High IEC ESD and EFT

The MxL83437 and MxL83438 are a family of monolithic quadruple differential line RS-485/RS-422 receivers that support communication up to 80Mbps in harsh industrial environments. The bus pins tolerate IEC electrical fast transients (EFT), IEC electrostatic discharge (ESD), offer a wide input voltage range, and input hysteresis.

Guaranteed low propagation delays and channel-to-channel and part-to-part propagation delay skews ensure maximum system performance.

A wide range of product options offers designers optimized solutions for their system. The four product offerings include two package options and two enable configurations to choose from. These options coupled with wide power supply range support (from 3.3V to 5V) provide a versatile portfolio that you can use in applications ranging from high-speed motor drives to wireless infrastructure and building automation. The integration of four receiver channels into compact TSSOP or NSOIC packages makes these products well suited for space-constrained enclosures that require robust, high-performance communication.

The MxL83437 device offers global enable pins, which allow all four channels to be enabled or disabled simultaneously. The MxL83438 device provide paired enable pins, allowing for the flexibility to control two channels at a time. Industry standard footprint and pinout ensure seamless compatibility for existing designs.

Features:
- Meets or exceeds the requirements of the TIA/EIA-485A and EIA/TIA-422B standards
- Wide supply voltage from 3.3V to 5V
- Extended operating temperature range from –40°C to 125°C
- Extended operation common-mode range of ±15V
- Fail-safe open receiver (Rx) inputs
- ¼ unit load (128 bus nodes)
- Available in global or paired enable configurations
- High-data rates up to 65Mbps
- Glitch-free power-up/power-down for hot plug-in capability
- Low channel-to-channel propagation delay skew
- Robust system protection: ±4kV EFT (IEC 61000-4-4), ±12kV ESD Contact (IEC 61000-4-2), ±15kV ESD Human Body Model

Applications:
- Industrial and process control equipment
- Level translators
- Telecommunication equipment
- High-performance motor drives
- Smart Grid
- Industrial transport

-- MaxLinear product --

Related products

SP3232EB

True +3.0V to +5.5V RS-232 Transceivers

MxL83411

Quad RS-485 Receiver with IEC, ESD & EFT

MxL83433

32Mbps Quad RS-485 Receiver

MxL83435

RS-485 / RS-422 Serial Transceiver

MxL83436

RS-485 / RS-422 Serial Transceiver

MxL83437

RS-485 / RS-422 Serial Transceiver

EMEA / Headquarter

TOP-electronics
Griendstraat 23
2921 LA Krimpen aan den IJssel
The Netherlands

+31 (0)180 - 580 492
[email protected]


Global contact
for all offices

[email protected]
www.TOP-electronics.com

 

Postal address

TOP-electronics
Griendstraat 23
2921 LA  Krimpen aan den IJssel
The Netherlands

 

 

USA

TOP-electronics USA
6700 N. Oracle Rd
Suite 503
Tucson, AZ 85704, USA

+1 520 882 4272
+1 623 670 5780

 

Germany

+49 171 760 7716


Italy

+39 348 334 2068


Spain

+34 650 81 1495
 

United Kingdom

+44 758 435 4220
 

Poland

+48  515 607 196
 

Hong Kong

TOP-electronics Hong Kong
Room 1003, 10/F, Centre Point
181-185 Gloucester Road
Wanchai, Hong Kong

+86 137 5110 5243
 

Shenzhen

TOP-electronics Shenzhen
Room 1601, West Block, Tianliao Building,
Xueyuan Blvd, Nanshan District, Shenzhen, P.R.C 518055

中国 深圳市 南山区 学苑大道 田寮大厦西座 1601室    518055

+86 137 5110 5243

 

 

e-store terms & conditions

  • Customer Support
  • General conditions
  • Logistics
  • Payment methods
  • Quality
Follow us on LinkedIn Join our newsletter
  • Sitemap
  • Disclaimer
  • Privacy and cookie policy
  • Impressum
  • Cookie settings
website by